Table of Contents
Frog Polarisation
If the switch motor driver does not provide for frog polarization, it can be handled by the switch object provided the switch command is acknowledged.
Setup
Interface ID
If you have more than one Command Station you can use this field to link this switch with the CS you actually wired it with. Leave blank in case you have only one CS or when it is wired to the default CS. (First digint in the rocrail.ini)
Bus
The bus to use for the frog commands. The switch interface bus is used in case this value is not set.
Timer
If the switch has no Wiring a timer can be used for frog polarization activation.1)
The default is zero which will use the wiring event.
The timer units are in ms and ranges from 0 to 1000.
Frog 1
For single and dual slip switches.
Frog 2
For dual slip switches.
Switch
Switch commands are send instead of output commands when this option is set.
Addressing
The addressing depends on the Command Station or Bus System that is used.
Truth Table
| Command | Frog 1 | Frog 2 | Symbol | ||||
|---|---|---|---|---|---|---|---|
| relay: | 1 | 2 | 1 | 2 | Frog 1 | Frog 2 | |
| straight | X | - | X | - | |
||
| thrown | - | X | - | X | | ||
| left | - | X | X | - | | ||
| right | X | - | - | X | | ||
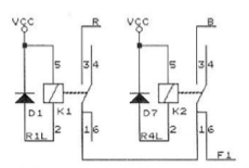
Example Diagram
Sequence
- Switch both relays off to isolate the frog.
- Command the servo to go to a position.
- Switch the relays to polarise the frog.








