userpages:rjversluis:g-locomotive-en
Table of Contents
G-Traction Unit
Dual RFID
WIOpi
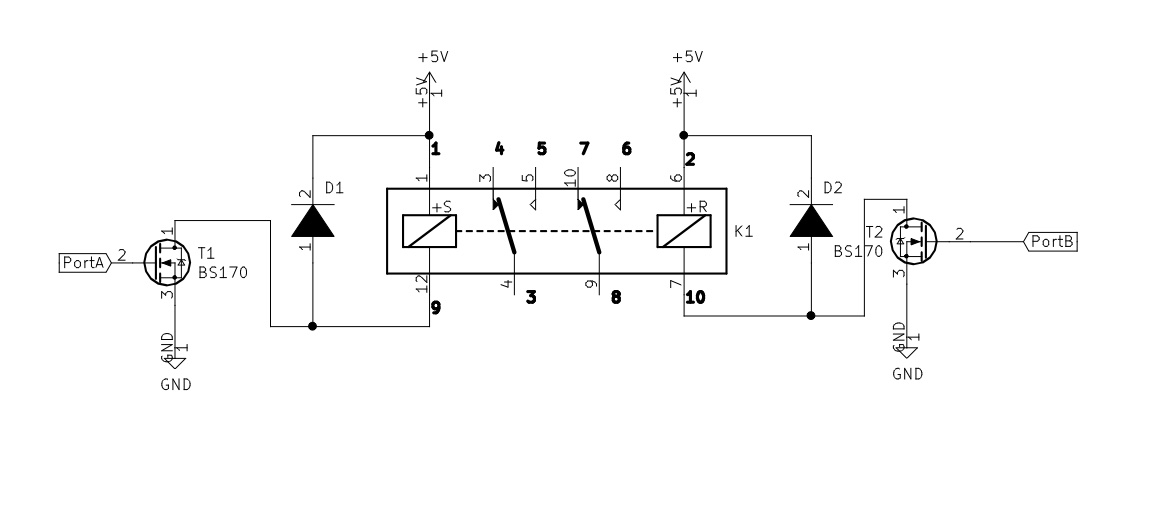
GPIO26 and GPIO16 are used to switch the bistable relay for selecting the ID12-LA reader. (FWD/REV)
Found on the IO2 connector on pin 7 and 8.
The Dual RFID option can be set on the WIO Dialog Setup Tab.
Interference suppression
A 30V VDR(Varistor) should be mounted directly on the motor to minimize interference with the RFID Reader.
Type used: 7N470K
userpages/rjversluis/g-locomotive-en.txt · Last modified: 2023/08/05 14:52 by 127.0.0.1


