arduino:wio-cable-fr
Câble CAN WIO
Connecteur à vis
| AKL | Fonction | Couleur CAT-5 | Remarque |
|---|---|---|---|
| 1 | +12V | marron + vert | aliemtation +12V |
| 2 | CANL | bleu/blanc | CAN |
| 3 | CANH | bleu | CAN |
| 4 | GND | marron/blanc + vert/blanc | GND |
| La paire orange/blanc peut être utilisé pour la synchronisation du Booster DCC. |
| U/UTP | CAT5 | 1xTP + Alimentation |
|---|---|---|
| | |
| Câble UTP non blindé. | connexion du câble CAT5. (Non recommandé.) | 1 TP pour CAN, fils séparés pour l'alimentation. |
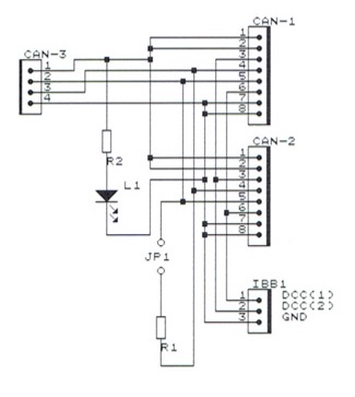
Circuit imprimé pour câble de raccordement
Ce petit circuit imprimé permet d'utiliser des câbles de raccordement courants:

Il y a un connecteur à vis qui peut être à un connecteur AKL avec 4 fils courts (max 100 mm).
Une résistance de terminaison optionnelle de bus CAN est également sur le circuit imprimé, pour être activée avec JP1.
Les trois broche du connecteur servent à fournir le signal DCC pour l'entrée du booster.
Ce connecteur doit également être connecté à WIO_Prog.
La LED L1, indique si l'alimentation est disponible.
arduino/wio-cable-fr.txt · Last modified: 2024/01/28 10:19 by 127.0.0.1






